Sign In | Join Free | My spintoband.com
China Xian Ruijia Measurement Instruments Co., Ltd. logo
Xian Ruijia Measurement Instruments Co., Ltd.
Xian Ruijia Measurement Instruments Co., Ltd.
Verified Supplier

7 Years

Home > Scale Load Cell >

60kg Plate And Ring Tension Load Cell Sensor Alloy Steel For Elevator Customized

Xian Ruijia Measurement Instruments Co., Ltd.
Trust Seal
Verified Supplier
Credit Check
Supplier Assessment
Contact Now

60kg Plate And Ring Tension Load Cell Sensor Alloy Steel For Elevator Customized

Brand Name : ruijia

Model Number : RJ-9210

Place of Origin : China

MOQ : 1pc

Price : USD15/pc

Payment Terms : L/C, T/T, Western Union

Supply Ability : 5000 Piece/Pieces per Month

Delivery Time : 2-4 weeks

Packaging Details : Standard export packaging

Capacity : 60kg

Sensitivity : 2.0±0.2 mV/V

Accuracy : ±0.05

Combined error : ≤±0.05%FS

Creep : ≤±0.02%FS(15min)

Input resistance : 350±10 Ω

Output resistance : 350±10 Ω

Operating temperature : -20~+80℃

Ultimate overload : 150%FS

Protection class : IP65

Contact Now

60kg Plate And Ring Tension Load Cell Sensor Alloy Steel For Elevator Customized

Working Principle

The working principle of the plate and ring tension sensor: the elastomer (elastic element, sensitive beam) deforms elastically under the action of external force, so that the resistance strain gauge (conversion element) pasted on its surface is also deformed, and after the deformation of the resistance strain gauge, its resistance value will change (increase or decrease), and then the corresponding measurement circuit converts this resistance change into an electrical signal (voltage or current), thus completing the process of converting the external force into an electrical signal. The process of converting the external force into an electrical signal is completed. It is widely used in various electronic vehicle scales, rail scales, platform scales, hopper scales and other occasions of weighing and force measurement.

Technical parameters:

Capacity Kg 60
Sensitivity mV/V 2.0±0.2
Accuracy

≤±0.05

Creep(15min) %FS ≤±0.02
Input Resistance Ω 350±10
Output Resistance Ω 350±10
Insulation Resistance M Ω ≥5000(100VDC)
Zero Balance %FS ≤±1
Temperature Effects on Span %FS/10℃ ≤0.02
Temperature Effect on Zero %FS/10℃ ≤0.02
Rated Temperature Range -10~+60
Operating Temperature Range -20~+80
Proposed Excitation Voltage V 6~12
Allowed Excitation Voltage V 18
Safe Overload %FS 120
Ultimate Overload %FS 150
Protection   IP65
Cable specification mm Ф4
Cable length m 2.5
Material   Alloy Steel

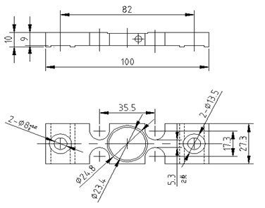
Dimension

60kg Plate And Ring Tension Load Cell Sensor Alloy Steel For Elevator Customized

60kg Plate And Ring Tension Load Cell Sensor Alloy Steel For Elevator Customized

Application

60kg Plate And Ring Tension Load Cell Sensor Alloy Steel For Elevator Customized

60kg Plate And Ring Tension Load Cell Sensor Alloy Steel For Elevator Customized

Company Profile

60kg Plate And Ring Tension Load Cell Sensor Alloy Steel For Elevator CustomizedXi'an Ruijia Measurement Instrument Co.,Ltd is established in 2005, mainly engaged in the design, production, sales and technical services of force sensors and related electronic products. Our headquarters is located in Xi'an High-tech Zone, Jinye First Road, No. 81, and its branch is located in Hantai District, Hanzhong City, Shaanxi Province.
We mainly undertake high-precision load cells for aluminum and steel parts with ranges from 1kg to 50t, and pressure sensors with range from 1Mpa to 200Mpa. We have independently developed a series of electronic balance load cells, which can meet the requirements of 2kg, 3kg, 5kg. The products have been well received by many customers at home and abroad, and have been awarded the honorary title of Xi'an High-tech Enterprise. The self-developed oil well drilling, fracturing and cementing pressure sensors not only have independent and independent intellectual property rights, but also have received strong support from National Fund. The products have reached similar technical standards in Europe and the United. Our company also develops OEM products according to the special requirements of customers, and it is our aim to meet all the requirements of customers.
Through years of development, our company has its own complete set of system in technology and management. Our products are of high quality, many varieties and specifications, and strong matching. Most of our products are exported to overseas markets and have long gone to the praise and trust of our customers.

Product Tags:

Ring Tension Load Cell Sensor

      

60kg Tension Load Cell Sensor

      

Alloy Steel Elevator Special Load Cells

      
Wholesale 60kg Plate And Ring Tension Load Cell Sensor Alloy Steel For Elevator Customized from china suppliers

60kg Plate And Ring Tension Load Cell Sensor Alloy Steel For Elevator Customized Images

Inquiry Cart 0
Send your message to this supplier
 
*From:
*To: Xian Ruijia Measurement Instruments Co., Ltd.
*Subject:
*Message:
Characters Remaining: (0/3000)
 
Inquiry Cart 0